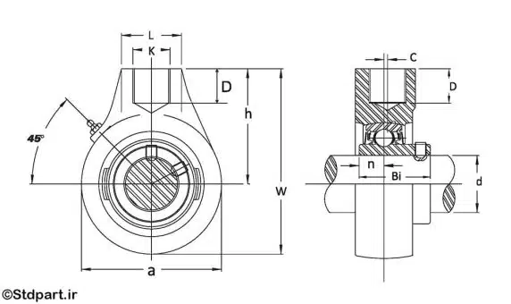
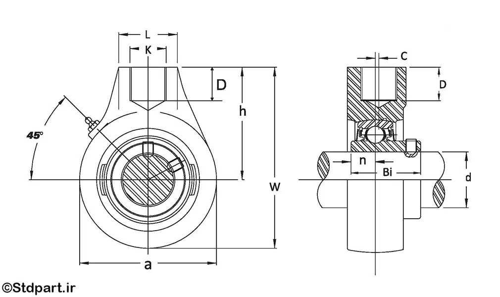
جدول مشخصات بلبرینگ یاتاقانی UCHA
| S [mm] | B [mm] | C [mm] | N [in] | H2 [mm] | H1 [mm] | L [mm] | A [mm] | H [mm] | d [mm] | Bearing | Housing | Part Number |
|---|---|---|---|---|---|---|---|---|---|---|---|---|
| 12.7 | 31 | - | Rp 3/4 | 19 | 96 | 64 | 40 | 64 | 12 | UC 201 | HA204 | UCHA 201 |
| 12.7 | 31 | - | Rp 3/4 | 19 | 96 | 64 | 40 | 64 | 15 | UC 202 | HA204 | UCHA 202 |
| 12.7 | 31 | - | Rp 3/4 | 19 | 96 | 64 | 40 | 64 | 17 | UC 203 | HA204 | UCHA 203 |
| 12.7 | 31 | - | Rp 3/4 | 19 | 96 | 64 | 40 | 64 | 20 | UC 204 | HA204 | UCHA 204 |
| 14.3 | 34.1 | - | Rp 3/4 | 19 | 103 | 78 | 40 | 64 | 25 | UC 205 | HA205 | UCHA 205 |
| 15.9 | 38.1 | - | Rp 3/4 | 19 | 103 | 78 | 40 | 64 | 30 | UC 206 | HA206 | UCHA 206 |
| 17.5 | 42.9 | - | Rp 3/4 | 19 | 116 | 92 | 40 | 70 | 35 | UC 207 | HA207 | UCHA 207 |
| 19 | 49.2 | 2 | Rp 3/4 | 19 | 121 | 96 | 40 | 73 | 40 | UC 208 | HA208 | UCHA 208 |
| 19 | 49.2 | 5 | Rp 1 | 21 | 136 | 108 | 48 | 82 | 45 | UC 209 | HA209 | UCHA 209 |
| 19 | 51.6 | 5 | Rp 1 | 21 | 142 | 118 | 48 | 83 | 50 | UC 210 | HA210 | UCHA 210 |
| 22.2 | 55.6 | 7 | Rp 1 1/4 | 25 | 150 | 126 | 60 | 87 | 55 | UC 211 | HA211 | UCHA 211 |
| 25.4 | 65.1 | 9 | Rp 1 1/4 | 28 | 173 | 142 | 60 | 102 | 60 | UC 212 | HA212 | UCHA 212 |
| 25.4 | 65.1 | 9.5 | Rp 1 1/2 | 32 | 200 | 166 | 70 | 117 | 65 | UC 213 | HA213 | UCHA 213 |
| 30.2 | 74.6 | 9.5 | Rp 1 1/2 | 32 | 200 | 166 | 70 | 117 | 70 | UC 214 | HA214 | UCHA 214 |
| 33.3 | 77.8 | 9.5 | Rp 1 1/2 | 32 | 200 | 166 | 70 | 117 | 75 | UC 215 | HA215 | UCHA 215 |

نقد و بررسیها
هنوز بررسیای ثبت نشده است.