stdpart
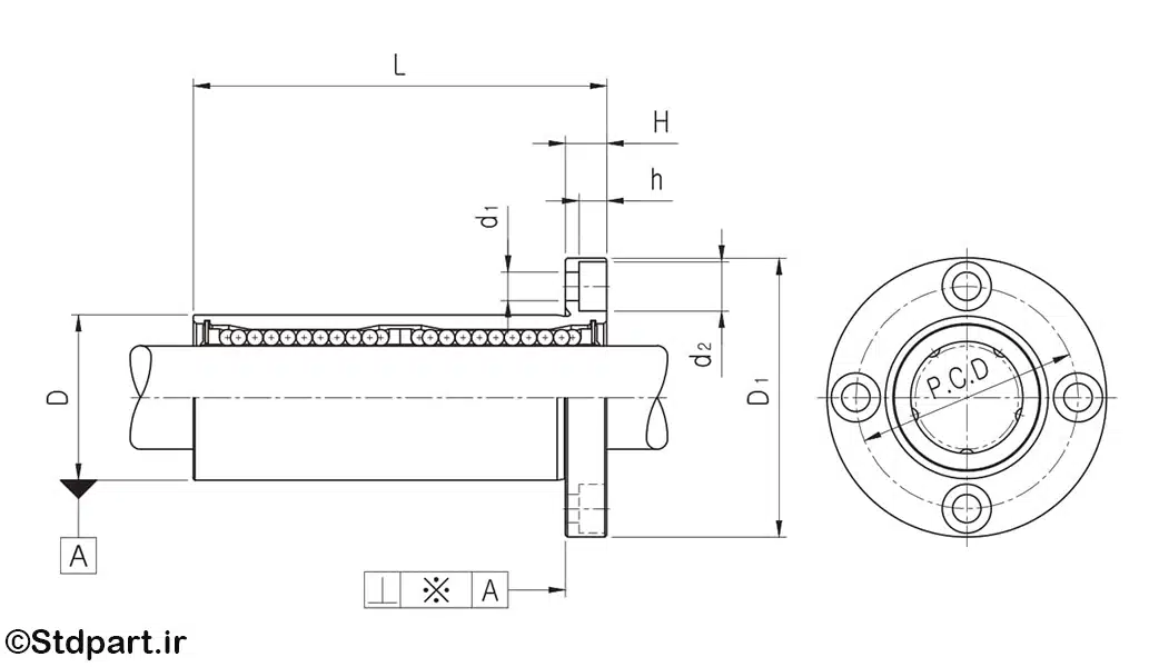
جدول مشخصات بال بوشینگ LMF-L
| Static Load [N] | Dynamic Load [N] | h [mm] | d2 [mm] | d1 [mm] | F [mm] | A [mm] | W [mm] | H [mm] | D1 [mm] | L [mm] | D [mm] | dr [mm] | Part Number |
|---|---|---|---|---|---|---|---|---|---|---|---|---|---|
| 520 | 320 | 3.3 | 6.5 | 3.4 | - | 20 | 18 | 5 | 28 | 35 | 12 | 6 | LMH6LUU |
| 780 | 430 | 3.3 | 6.5 | 3.4 | - | 24 | 21 | 5 | 32 | 45 | 15 | 8 | LMH8LUU |
| 1100 | 580 | 4.4 | 8 | 4.5 | - | 29 | 25 | 6 | 40 | 55 | 19 | 10 | LMH10LUU |
| 1200 | 650 | 4.4 | 8 | 4.5 | - | 32 | 27 | 6 | 42 | 57 | 21 | 12 | LMH12LUU |
| 1570 | 810 | 4.4 | 8 | 4.5 | - | 33 | 29 | 6 | 43 | 61 | 23 | 13 | LMH13LUU |
| 2350 | 1230 | 4.4 | 8 | 4.5 | 22 | 31 | 34 | 6 | 48 | 70 | 28 | 16 | LMH16LUU |
| 2750 | 1400 | 5.4 | 9.5 | 5.5 | 24 | 36 | 38 | 8 | 54 | 80 | 32 | 20 | LMH20LUU |
| 314 | 1560 | 5.4 | 9.5 | 5.5 | 32 | 40 | 46 | 8 | 62 | 12 | 40 | 25 | LMH25LUU |
| 5490 | 2490 | 6.5 | 11 | 6.6 | 35 | 49 | 51 | 10 | 74 | 123 | 45 | 30 | LMH30LUU |

نقد و بررسیها
هنوز بررسیای ثبت نشده است.