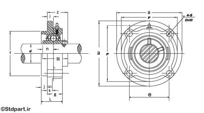
جدول مشخصات بلبرینگ یاتاقانی UCFC
| Bolts [mm] | S [mm] | B [mm] | A4 [mm] | A3 [mm] | A2 [mm] | A1 [mm] | N [mm] | J1 [mm] | J [mm] | Ha [mm] | L [mm] | d [mm] | Bearing | Housing | Part Number |
|---|---|---|---|---|---|---|---|---|---|---|---|---|---|---|---|
| M10 | 12.7 | 31 | 28.3 | 5 | 10 | 20.5 | 12 | 55.1 | 78 | 62 | 100 | 12 | UC201 | FC204 | UCFC 201 |
| M10 | 12.7 | 31 | 28.3 | 5 | 10 | 20.5 | 12 | 55.1 | 78 | 62 | 100 | 15 | UC202 | FC204 | UCFC 202 |
| M10 | 12.7 | 31 | 28.3 | 5 | 10 | 20.5 | 12 | 55.1 | 78 | 62 | 100 | 17 | UC203 | FC204 | UCFC 203 |
| M10 | 12.7 | 31 | 28.3 | 5 | 10 | 20.5 | 12 | 55.1 | 78 | 62 | 100 | 20 | UC204 | FC204 | UCFC 204 |
| M10 | 14.3 | 34.1 | 29.8 | 6 | 10 | 21 | 12 | 63.6 | 90 | 70 | 115 | 25 | UC205 | FC205 | UCFC 205 |
| M10 | 15.9 | 38.1 | 32.2 | 8 | 10 | 23 | 12 | 70.7 | 100 | 80 | 125 | 30 | UC206 | FC206 | UCFC 206 |
| M12 | 17.5 | 42.9 | 36.4 | 8 | 11 | 26 | 14 | 77.8 | 110 | 90 | 135 | 35 | UC207 | FC207 | UCFC 207 |
| M12 | 19 | 49.2 | 41.2 | 10 | 11 | 26 | 14 | 84.8 | 120 | 100 | 145 | 40 | UC208 | FC208 | UCFC 208 |
| M14 | 19 | 49.2 | 40.2 | 12 | 10 | 26 | 16 | 93.3 | 132 | 105 | 160 | 45 | UC209 | FC209 | UCFC 209 |
| M14 | 19 | 51.6 | 42.6 | 12 | 10 | 28 | 16 | 97.6 | 138 | 110 | 165 | 50 | UC210 | FC210 | UCFC 210 |
| M16 | 22.2 | 55.6 | 46.4 | 12 | 13 | 31 | 19 | 106.1 | 150 | 125 | 185 | 55 | UC211 | FC211 | UCFC 211 |
| M16 | 25.4 | 65.1 | 56.7 | 12 | 17 | 36 | 19 | 113.1 | 160 | 135 | 195 | 60 | UC212 | FC212 | UCFC 212 |
| M16 | 25.4 | 65.1 | 55.7 | 14 | 16 | 36 | 19 | 120.2 | 170 | 145 | 205 | 65 | UC213 | FC213 | UCFC 213 |
| M16 | 30.2 | 74.6 | 61.4 | 14 | 17 | 40 | 19 | 125.1 | 177 | 150 | 215 | 70 | UC214 | FC214 | UCFC 214 |
| M16 | 33.3 | 77.8 | 62.5 | 16 | 18 | 40 | 19 | 130.1 | 184 | 160 | 220 | 75 | UC215 | FC215 | UCFC 215 |
| M20 | 33.3 | 82.6 | 67.3 | 16 | 18 | 42 | 23 | 141.4 | 200 | 170 | 240 | 80 | UC216 | FC216 | UCFC 216 |
| M20 | 34.1 | 85.7 | 69.6 | 18 | 18 | 45 | 23 | 147.1 | 208 | 180 | 250 | 85 | UC217 | FC217 | UCFC 217 |
| M20 | 39.7 | 96 | 78.3 | 18 | 22 | 50 | 23 | 155.5 | 220 | 190 | 265 | 90 | UC218 | FC218 | UCFC 218 |

نقد و بررسیها
هنوز بررسیای ثبت نشده است.