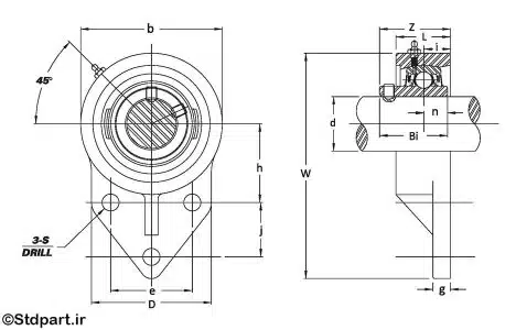
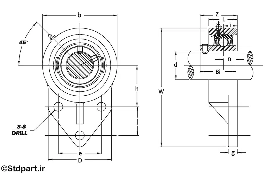
جدول مشخصات بلبرینگ یاتاقانی UCFB
| Bolts [mm] | S [mm] | B [mm] | A0 [mm] | A2 [mm] | A1 [mm] | L1 [mm] | H2 [mm] | H1 [mm] | N [mm] | J1 [mm] | J [mm] | A [mm] | L [mm] | H [mm] | d [mm] | Bearing | Housing | Part Number |
|---|---|---|---|---|---|---|---|---|---|---|---|---|---|---|---|---|---|---|
| M8 | 12.7 | 31 | 31.8 | 13.5 | 13 | 52 | 52 | 42 | 9.5 | 27 | 32 | 24.5 | 62 | 110 | 12 | UC201 | FB204 | UCFB 201 |
| M8 | 12.7 | 31 | 31.8 | 13.5 | 13 | 52 | 52 | 42 | 9.5 | 27 | 32 | 24.5 | 62 | 110 | 15 | UC202 | FB204 | UCFB 202 |
| M8 | 12.7 | 31 | 31.8 | 13.5 | 13 | 52 | 52 | 42 | 9.5 | 27 | 32 | 24.5 | 62 | 110 | 17 | UC203 | FB204 | UCFB 203 |
| M8 | 12.7 | 31 | 31.8 | 13.5 | 13 | 52 | 52 | 42 | 9.5 | 27 | 32 | 24.5 | 62 | 110 | 20 | UC204 | FB204 | UCFB 204 |
| M8 | 14.3 | 34.1 | 34.8 | 15 | 13 | 56 | 52 | 45 | 9.5 | 27 | 34 | 27 | 68 | 116 | 25 | UC205 | FB205 | UCFB 205 |
| M8 | 15.9 | 38.1 | 39.2 | 17 | 13 | 65 | 55 | 50 | 9.5 | 29 | 40 | 30 | 78 | 130 | 30 | UC206 | FB206 | UCFB 206 |
| M8 | 17.5 | 42.9 | 44.4 | 19 | 15 | 70 | 62 | 55 | 9.5 | 32 | 46 | 33.5 | 90 | 144 | 35 | UC207 | FB207 | UCFB 207 |
| M10 | 19 | 49.2 | 50.2 | 20 | 16 | 78 | 72 | 60 | 11 | 41 | 50 | 35 | 100 | 164 | 40 | UC208 | FB208 | UCFB 208 |
| M10 | 19 | 49.2 | 50.2 | 20 | 18 | 80 | 76 | 65 | 11 | 43 | 54 | 35.5 | 106 | 174 | 45 | UC209 | FB209 | UCFB 209 |
| M10 | 19 | 51.6 | 52.6 | 20 | 18 | 86 | 82 | 68 | 11 | 46 | 58 | 36 | 112 | 184 | 50 | UC210 | FB210 | UCFB 210 |

نقد و بررسیها
هنوز بررسیای ثبت نشده است.