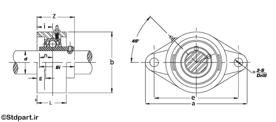
جدول مشخصات بلبرینگ یاتاقانی UCFL
| Bolts [mm] | S [mm] | B [mm] | A0 [mm] | A2 [mm] | A1 [mm] | N [mm] | J [mm] | A [mm] | L [mm] | H [mm] | d [mm] | Bearing | Housing | Part Number |
|---|---|---|---|---|---|---|---|---|---|---|---|---|---|---|
| M10 | 12.7 | 31 | 33.3 | 15 | 11 | 12 | 90 | 25.5 | 60 | 113 | 12 | UC201 | FL204 | UCFL 201 |
| M10 | 12.7 | 31 | 33.3 | 15 | 11 | 12 | 90 | 25.5 | 60 | 113 | 15 | UC202 | FL204 | UCFL 202 |
| M10 | 12.7 | 31 | 33.3 | 15 | 11 | 12 | 90 | 25.5 | 60 | 113 | 17 | UC203 | FL204 | UCFL 203 |
| M10 | 12.7 | 31 | 33.3 | 15 | 11 | 12 | 90 | 25.5 | 60 | 113 | 20 | UC204 | FL204 | UCFL 204 |
| M14 | 14.3 | 34.1 | 35.8 | 16 | 13 | 16 | 99 | 27 | 68 | 130 | 25 | UC205 | FL205 | UCFL 205 |
| M16 | 15 | 38 | 39 | 16 | 13 | 19 | 113 | 29 | 80 | 150 | 25 | UC305 | FL305 | UCFL 305 |
| M14 | 15.9 | 38.1 | 40.2 | 18 | 13 | 16 | 117 | 31 | 80 | 148 | 30 | UC206 | FL206 | UCFL 206 |
| M20 | 17 | 43 | 44 | 18 | 15 | 23 | 134 | 32 | 90 | 180 | 30 | UC306 | FL306 | UCFL 306 |
| M14 | 17.5 | 42.9 | 44.4 | 19 | 14 | 16 | 130 | 34 | 90 | 161 | 35 | UC207 | FL207 | UCFL 207 |
| M20 | 19 | 48 | 49 | 20 | 16 | 23 | 141 | 36 | 100 | 185 | 35 | UC307 | FL307 | UCFL 307 |
| M14 | 19 | 49.2 | 51.2 | 21 | 14 | 16 | 144 | 36 | 100 | 175 | 40 | UC208 | FL208 | UCFL 208 |
| M20 | 19 | 52 | 56 | 23 | 17 | 23 | 158 | 40 | 112 | 200 | 40 | UC308 | FL308 | UCFL 308 |
| M16 | 19 | 49.2 | 52.2 | 22 | 15 | 19 | 148 | 38 | 108 | 188 | 45 | UC209 | FL209 | UCFL 209 |
| M22 | 22 | 57 | 60 | 25 | 18 | 25 | 177 | 44 | 125 | 230 | 45 | UC309 | FL309 | UCFL 309 |
| M16 | 19 | 51.6 | 54.6 | 22 | 15 | 19 | 157 | 40 | 115 | 197 | 50 | UC210 | FL210 | UCFL 210 |
| M22 | 22 | 61 | 67 | 28 | 19 | 25 | 187 | 48 | 140 | 240 | 50 | UC310 | FL310 | UCFL 310 |
| M16 | 22.2 | 55.6 | 58.4 | 25 | 18 | 19 | 184 | 43 | 130 | 224 | 55 | UC211 | FL211 | UCFL 211 |
| M22 | 25 | 66 | 71 | 30 | 20 | 25 | 198 | 52 | 150 | 250 | 55 | UC311 | FL311 | UCFL 311 |
| M20 | 25.4 | 65.1 | 68.7 | 29 | 18 | 23 | 202 | 48 | 140 | 250 | 60 | UC212 | FL212 | UCFL 212 |
| M27 | 26 | 71 | 78 | 33 | 22 | 31 | 212 | 56 | 160 | 270 | 60 | UC312 | FL312 | UCFL 312 |
| M20 | 25.4 | 65.1 | 69.7 | 30 | 20 | 23 | 210 | 50 | 155 | 258 | 65 | UC213 | FL213 | UCFL 213 |
| M27 | 30 | 75 | 78 | 33 | 25 | 31 | 240 | 58 | 175 | 295 | 65 | UC313 | FL313 | UCFL 313 |
| M20 | 30.2 | 74.6 | 75.4 | 31 | 20 | 23 | 216 | 54 | 160 | 265 | 70 | UC214 | FL214 | UCFL 214 |
| M30 | 33 | 78 | 81 | 36 | 28 | 35 | 250 | 61 | 185 | 315 | 70 | UC314 | FL314 | UCFL 314 |
| M20 | 33.3 | 77.8 | 78.5 | 34 | 20 | 23 | 225 | 56 | 165 | 275 | 75 | UC215 | FL215 | UCFL 215 |
| M30 | 32 | 82 | 89 | 39 | 30 | 35 | 260 | 66 | 195 | 320 | 75 | UC315 | FL315 | UCFL 315 |
| M22 | 33.3 | 82.6 | 83.3 | 34 | 20 | 25 | 233 | 58 | 180 | 290 | 80 | UC216 | FL216 | UCFL 216 |
| M33 | 34 | 86 | 90 | 38 | 32 | 38 | 285 | 68 | 210 | 355 | 80 | UC316 | FL316 | UCFL 316 |
| M22 | 34.1 | 85.7 | 87.6 | 36 | 22 | 25 | 248 | 63 | 190 | 305 | 85 | UC217 | FL217 | UCFL 217 |
| M33 | 40 | 96 | 100 | 44 | 32 | 38 | 300 | 74 | 220 | 370 | 85 | UC317 | FL317 | UCFL 317 |
| M22 | 39.7 | 96 | 96.3 | 40 | 23 | 23 | 265 | 68 | 205 | 320 | 90 | UC218 | FL218 | UCFL 218 |
| M33 | 40 | 96 | 100 | 44 | 36 | 38 | 315 | 76 | 235 | 385 | 90 | UC318 | FL318 | UCFL 318 |
| M36 | 41 | 103 | 121 | 59 | 40 | 41 | 330 | 94 | 250 | 405 | 95 | UC319 | FL319 | UCFL 319 |
| M39 | 42 | 108 | 125 | 59 | 40 | 44 | 360 | 94 | 270 | 440 | 100 | UC320 | FL320 | UCFL 320 |
| M39 | 56 | 117 | 131 | 60 | 42 | 44 | 390 | 96 | 300 | 470 | 110 | UC322 | FL322 | UCFL 322 |
| M42 | 51 | 126 | 140 | 65 | 48 | 47 | 430 | 110 | 330 | 520 | 120 | UC324 | FL324 | UCFL 324 |

نقد و بررسیها
هنوز بررسیای ثبت نشده است.