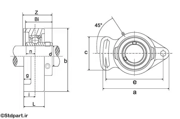
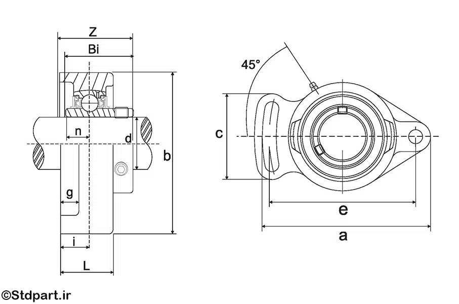
جدول مشخصات بلبرینگ یاتاقانی UCFA
| Bolts [mm] | S [mm] | B [mm] | A0 [mm] | A2 [mm] | A1 [mm] | L1 [mm] | N2 [mm] | N1 [mm] | N [mm] | J [mm] | A [mm] | L [mm] | H [mm] | d [mm] | Bearing | Housing | Part Number |
|---|---|---|---|---|---|---|---|---|---|---|---|---|---|---|---|---|---|
| M8 | 12.7 | 31 | 32.1 | 13.8 | 11 | 50 | 10 | 40 | 10 | 78 | 24 | 59 | 98 | 12 | UC201 | FA204 | UCFA 201 |
| M8 | 12.7 | 31 | 32.1 | 13.8 | 11 | 50 | 10 | 40 | 10 | 78 | 24 | 59 | 98 | 15 | UC202 | FA204 | UCFA 202 |
| M8 | 12.7 | 31 | 32.1 | 13.8 | 11 | 50 | 10 | 40 | 10 | 78 | 24 | 59 | 98 | 17 | UC203 | FA204 | UCFA 203 |
| M8 | 12.7 | 31 | 32.1 | 13.8 | 11 | 50 | 10 | 40 | 10 | 78 | 24 | 59 | 98 | 20 | UC204 | FA204 | UCFA 204 |
| M10 | 14.3 | 34.1 | 35.8 | 16 | 13 | 64 | 11 | 49 | 11 | 98 | 27 | 70 | 124 | 25 | UC205 | FA205 | UCFA 205 |
| M10 | 15.9 | 38.1 | 40 | 17.8 | 13 | 68 | 12 | 56 | 11 | 117 | 30 | 83 | 141 | 30 | UC206 | FA206 | UCFA 206 |
| M12 | 17.5 | 42.9 | 44 | 18.6 | 14 | 75 | 13 | 63 | 13 | 130 | 34 | 96 | 155 | 35 | UC207 | FA207 | UCFA 207 |
| M12 | 19 | 49.2 | 51 | 20.8 | 14 | 84 | 13 | 70 | 13 | 144 | 38 | 105 | 171 | 40 | UC208 | FA208 | UCFA 208 |
| M14 | 19 | 49.2 | 52 | 21.8 | 14 | 88 | 15 | 72 | 15 | 148 | 40 | 111 | 179 | 45 | UC209 | FA209 | UCFA 209 |
| M14 | 19 | 51.6 | 55.1 | 22.5 | 14 | 92 | 15 | 75 | 15 | 157 | 40 | 116 | 189 | 50 | UC210 | FA210 | UCFA 210 |
| M14 | 22.2 | 55.6 | 59.1 | 25.7 | 20 | 102 | 16 | 86 | 16 | 184 | 44 | 133 | 216 | 55 | UC211 | FA211 | UCFA 211 |

نقد و بررسیها
هنوز بررسیای ثبت نشده است.